工程师在SOLIDWORKS日常工作中是否经常面临这样的挑战?
1. 模型沟通不畅:难以清晰简洁地传达设计思路。
2. 模型定版缓慢:无法快速、准确地生成工程图以投入生产。
3. 模型改版繁琐:每次改版都会产生大量的文件修改工作,耗费时间和精力。
这些问题都因为没有按照设计规范来标注尺寸,导致最终耗时耗力,还无法准确表达设计意图。那么,我们应该注意什么,才能顺利实现工程图与模型的同步更新呢?
1。从模型到工程图
★ 以三维为基准,在模型中确定设计思路及装配关系,不断修改迭代模型直至定版。
★ 从三维模型输出二维图纸需注意:如果希望减少图纸转化的工作量,就应当保证模型尺寸标注的标准化、统一性、正确性。做到在三维中标注,同步到工程图纸。
2。依据工程图绘制三维模型:
★ 将现有的工程图纸数据三维化,为后续的数据管理和同类产品的研发奠定基础。
★ 应注意:三维模型的设计思路(特征使用方法),尺寸标注(标注方式、命名规则),都应与工程图相符,正确表述出工程图的设计意图。
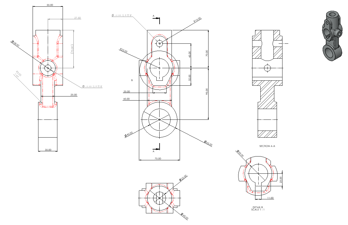
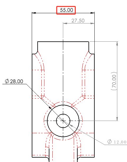
例如下面工程图及相应模型:用第一步拉伸凸台的绘制来举例:


拉伸凸台绘制步骤:从工程图获得轮廓尺寸及拉伸厚度。并依据工程图标注准确绘制模型文件。
![]() | ![]() | ![]() |
| 1.轮廓尺寸 | 2.拉伸厚度 | 3.拉伸实体 |
★ —— 选择合适的建模顺序,表达正确的设计意图。
![]() | ![]() | ![]() | ![]() |
| 成品 | 蛋糕法 | 切削法 | 旋转法 |
—— 系统默认为标注尺寸输入到工程图中。在建模草图绘制阶段筛选工程图中出现的尺寸信息,为三维转二维出图做准备,减少出图阶段标注的工作量,保持SOLIDWORKS模型和工程图的链接。
,—— 系统自带坐标原点,前视、上视、右视基准面,合理运用并减少多余尺寸及特征,传达正确标注思路的同时为模型文件瘦身,减小后续装配体文件体积。
,★ 减少压缩特征后报错的概率??赏ü齋OLIDWORKS的配置设置,对模型改版,衍生其他形态
★ 命名标注的尺寸,让重要尺寸信息脱颖而出,为工程师后续识图、改图提升效率。
,充分利用软件的便捷功能将工程师的时间和精力投入到三维设计及研发上。

不管是绘制模型出工程图,或是据图建模。都应将二维、三维联系起来,做到模型和工程图信息互联,使三维模型能够清晰准确地反映图纸内容,从而减少工程师在拆图、改图、校对的时间消耗。 这样可以让我们将更多的精力投入到产品研发和迭代上,提高企业的运作效率,并为行业上下游之间的生产沟通搭建高效的平台。